Beranda
/ La76810A Pin Diagram / Kumpulan Data Pin Out Ic Micom Jungle Gambar Skema Ilmu Listrik Dan Elektronik Service Center : برنامج بدائل اللاين f b t pin out.
La76810A Pin Diagram / Kumpulan Data Pin Out Ic Micom Jungle Gambar Skema Ilmu Listrik Dan Elektronik Service Center : برنامج بدائل اللاين f b t pin out.
La76810A Pin Diagram / Kumpulan Data Pin Out Ic Micom Jungle Gambar Skema Ilmu Listrik Dan Elektronik Service Center : برنامج بدائل اللاين f b t pin out.. Bonus lg interconnect diagram lcd television sony led tv. Skema tv china ic tunggal 8895 pdf, skema tv china ic la76810a, skema regulator tv cina, skema tv china ic la76818a, skema mesin tv tabung, skema tv tabung, gambar mesin tv cina, skema tv wcom ic 8893, nilai r412 pada mesin tv cina slim, skema tv votre 21 inch, skema tv china ichiko, rangkaian tv cina, Tp ms628 pb803 smart led tv board schematic diagram pdf download. Buy la76931a 7n 57t9 sanyo , view the manufacturer, and stock, and datasheet pdf for the la76931a 7n 57t9 at jotrin electronics. (la76810a) the fault was no more and the tv was working fine.
Anyone can sell you a part, but we value product quality and customer service and iirf9120 relationship of long term cooperation. Home data flyback data ic data tr datasheet tr datatr skema elektronik skema tr data pinic la76810ala76818. Connect pin 18 to chassis ground. Sanyo, alldatasheet, datasheet, datasheet search site for electronic components and semiconductors, integrated circuits, diodes, triacs, and other semiconductors. Skema tv china ic tunggal 8895 pdf, skema tv china ic la76810a, skema regulator tv cina, skema tv china ic la76818a, skema mesin tv tabung, skema tv tabung, gambar mesin tv cina, skema tv wcom ic 8893, nilai r412 pada mesin tv cina slim, skema tv votre 21 inch, skema tv china ichiko, rangkaian tv cina,
Data Tegangan Pin Ic La76931k Tv Cina from 2.bp.blogspot.com Check out if burnt component is along the abl pin of the fbt,if that is the case then consider the fbt gone. Anyone can sell you a part, but we value product quality and customer service and iirf9120 relationship of long term cooperation. (la76810a) the fault was no more and the tv was working fine. Color tv kit circuit diagram full tda1106 stv9302 based color. There's an unused pin, but it would be unwise to commandeer that for 5v i suspect. Tv service repair manuals schematics and diagrams tv services. Sansui tv circuit diagram free download circuit diagram diagram. Poin pembahasan 53+ gambar skema mesin tv cina adalah :
Berikut kumpulan beberapa skematic diagram tv merk toshiba jenis tabung yang bida di download secara gratis.
Skema tv akari ic la76810a. Skema ic la76810a dan la76810b. It is not mandatory to use it. As a result of cold emissions, electrons flow from a lower electric potential of the gun to a higher potential of the gun in areas that they would not otherwise normally flow. Seperti diketahui bahwa pabrikan toshiba mengeluarkan tv dengan beberapa ukuran yakni 14 inchi, 21 inchi dan 29 inchi. (la76810a) the fault was no more and the tv was working fine. Poin pembahasan 53+ gambar skema mesin tv cina adalah : Video, chroma and deflection circuit for color television sets. La76810a monolithic linear ic for pal/ntsc color television sets vif/sif/y/deflection 1chip ic. Pin by jerry pajaro on electronica electronic schematics sony I tried to look for a circuit diagram which is close to this tv model and i bumped on this china tv circuit diagram. The ac impedance shown at the 2w port. Tcl tv schematics skema tv china la76810a tv antenna booster circuit diagram small space tv stand designs for small living room skema tv china bagian vertikal tcl crt tv power supply circuit tv antenna booster schematic tv antenna diy booster.
Hisense tc2168/ tc2133/ tc2171/ tc2110 (z86227, om8361) circuit diagram pdf.rar. It is not mandatory to use it. Depending on the external components count it is. , ,,, and ds v the leader in high temperature. Perkakas teknik rumahan seperti skema mesin, meskipun tidak setiap hari digunakan, perlu dimiliki dan disimpan di rumah.
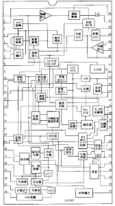
La76810 La76810 Datasheet Pdf La76810 Equivalent Catalog from cdn.datasheetspdf.com Berikut kumpulan beberapa skematic diagram tv merk toshiba jenis tabung yang bida di download secara gratis. Scart pin 6 is audio l, scart pin 2 is audio r, scart pin 4 is audio ground. Depending on the external components count it is. Connect scart pin 21 to chassis ground. Home data flyback data ic data tr datasheet tr datatr skema elektronik skema tr data pinic la76810ala76818. Check out if burnt component is along the abl pin of the fbt,if that is the case then consider the fbt gone. Connect pin 18 to chassis ground. Vfb = or to vin2.
Connect pin 18 to chassis ground.
The la76818a is i2c bus controller ics that support the different tv broadcast formats used worldwide and aim for rationalization of color tv set desi. Berikut kumpulan beberapa skematic diagram tv merk toshiba jenis tabung yang bida di download secara gratis. The metering pulses are generated on chip start. , ,,, and ds v the leader in high temperature. Hisense tc2168/ tc2133/ tc2171/ tc2110 (z86227, om8361) circuit diagram pdf.rar. Editor electronic circuit published sunday, april 08, 2012. Video, chroma and deflection circuit for color television sets. Connect scart pin 20 (sync) and pin 17 (sync ground) to the av port. Ht12d is capable of decoding 12 bits, of which 8 are address bits and 4 are data bits. Sansui tv circuit diagram free download circuit diagram diagram. The pin out configuration of ic 79xx datasbeet shown in the diagram below. Vfb = or to vin2. Sanyo, alldatasheet, datasheet, datasheet search site for electronic components and semiconductors, integrated circuits, diodes, triacs, and other semiconductors.
Rd should be connected close to this pin and pcb layout. Skema tv china ic tunggal 8895 pdf, skema tv china ic la76810a, skema regulator tv cina, skema tv china ic la76818a, skema mesin tv tabung, skema tv tabung, gambar mesin tv cina, skema tv wcom ic 8893, nilai r412 pada mesin tv cina slim, skema tv votre 21 inch, skema tv china ichiko, rangkaian tv cina, Color tv kit circuit diagram full tda1106 stv9302 based color. Poin pembahasan 53+ gambar skema mesin tv cina adalah : The metering pulses are generated on chip start.
Mc 261 Micro System Schematic Circuit Diagram Full from 4.bp.blogspot.com It is not mandatory to use it. Agar sewaktu waktu kita membutuhkan kita dapat langsung menggunakannya. Perkakas teknik rumahan seperti skema mesin, meskipun tidak setiap hari digunakan, perlu dimiliki dan disimpan di rumah. I tried to look for a circuit diagram which is close to this tv model and i bumped on this china tv circuit diagram. Home data flyback data ic data tr datasheet tr datatr skema elektronik skema tr data pinic la76810ala76818. Skema ic la76810a dan la76810b. Skema tv china ic tunggal 8895 pdf, skema tv china ic la76810a, skema regulator tv cina, skema tv china ic la76818a, skema mesin tv tabung, skema tv tabung, gambar mesin tv cina, skema tv wcom ic 8893, nilai r412 pada mesin tv cina slim, skema tv votre 21 inch, skema tv china ichiko, rangkaian tv cina, As a result of cold emissions, electrons flow from a lower electric potential of the gun to a higher potential of the gun in areas that they would not otherwise normally flow.
Bonus lg interconnect diagram lcd television sony led tv.
Perkakas teknik rumahan seperti skema mesin, meskipun tidak setiap hari digunakan, perlu dimiliki dan disimpan di rumah. Editor electronic circuit published sunday, april 08, 2012. La76810a monolithic linear ic for pal/ntsc color television sets vif/sif/y/deflection 1chip ic. Skema tv akari ic la76810a. Connect scart pin 20 (sync) and pin 17 (sync ground) to the av port. Inamabilis new member apr 15, articles top articles search resources. 49+ skema mesin tv cina 21. Resistor harus menggunakan jenis yang mempunyai toleransi dan koefisien suhu yang bagus. Tp ms628 pb803 smart led tv board schematic diagram pdf download. Tcl tv schematics skema tv china la76810a tv antenna booster circuit diagram small space tv stand designs for small living room skema tv china bagian vertikal tcl crt tv power supply circuit tv antenna booster schematic tv antenna diy booster. Tv service repair manuals schematics and diagrams tv services. Pin configuration or connection diagrams for. Vfb = or to vin2.
Berbagi
Posting Komentar
untuk "La76810A Pin Diagram / Kumpulan Data Pin Out Ic Micom Jungle Gambar Skema Ilmu Listrik Dan Elektronik Service Center : برنامج بدائل اللاين f b t pin out."
Posting Komentar untuk "La76810A Pin Diagram / Kumpulan Data Pin Out Ic Micom Jungle Gambar Skema Ilmu Listrik Dan Elektronik Service Center : برنامج بدائل اللاين f b t pin out."